- Recessed Mount Magnetic Switches
- PS-902 MW
- PS-909 MW
- PS-913 MW
- PS-915 MWA
- PS-915 MWB
- PS-915 MSCWA
- PS-915 MSCWB
- PS-915 MW-RM
- PS-915 MW-H
- PS-916-MW
- PS-916 M SCW
- Surface Mount Magnetic Switches
- PS-904 MW
- PS-904 M SCW
- PS-905 MW
- PS-906 MW
- PS-908 MW
- PS-908 M SCW
- PS-910 MW
- Overhead Mounted Magnetic Switches for Rolling Shutters
- PS-904 MW Z
- PS-911 MW
- PS-911 ML
- PS-917 ML
- Special Type Magnetic Switches
- PS-901 MAL
- PS-918 MWB
- PS-918 MSCW B
- PS- 919
- PS-920 MW
Surface Mount Magnetic Switches
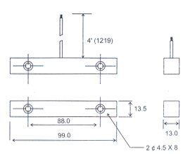
PS 904 MW
• Wide Gap Surface Mount Contact Switch
• 4' Long 2 Core 22 AWG PVC Cable
• Screw Mounting
• Operate Gap2" (50mm) min.

Specification
Electrical
Normally Open Contact Switch (N/O, 1 Form A) For Closed Loop System (N/C, 1 Form B or C/O, 1 Form C is also available on request
Reed Switch Specifications
Contact Rating
10W/VA
Switching Voltage (Max.)
200 VDC
Switching Current (Max.)
0.5 Amp.
Contact Resistance (Min.)
150 milli ohms
Life Expectancy
10x 10 6 Operations
Insulation Resistance
10 9 ohms
Shock Resistance
30G for 11mSec.
Vibration Resistance
20G ( 10 to 1000Hz)
Magnets
ALINCO/ Rare Earth (Unless otherwise specified)
Armour Jacket
Stainless Steel (Type 304)
Plastic Material
ABS Plastic (Unless otherwise specified

